作业一
一、填空题
1.制造单元是指在制造过程中不可分割的最小实物(体),称之为 。
2.零件可分为 和 两类。
3.运动单元是指由一个或多个 组成的刚性组合体,称之为 。运动时其上各点或各部分无相对运动。
4.两构件 组成的 联接称为运动副。
5.用 将若干个 联接起来以 的系统称之为机构。
6.机构中的构件分为 、 和 三种类型。
7.平面运动副分为 和 两种。
8.机械是 与 的统称。
二、判断题
1.零件是机器的运动单元体。( )
2.若干个零件的组合体称为构件。( )
3.由构件和运动副组成的,并且有一个构件不动,其它构件都在运动的组合体称为机构。( )
4.机构中必有一个构件为机架。( )
5.机器运动和动力的来源部分称为工作部分。( )
6.以一定的运动形式完成有用功的部分是机器的传动部分。( )
7.两构件具有一定的相对运动则它们就构成了运动副。( )
三、选择题
1.机器与机构的主要区别是 。
A.机器的运动较复杂 B.机器的结构较复杂
C.机器能完成有用的机械功或转换机械能 D.机器能变换运动形式
2.下列五种实物:1)车床,2)游标尺,3)洗衣机,4)齿轮减速器,5)机械式钟表,其中 是机器。
A.1)和2) B.1)和3) C.1)、2)和3) D.4)和5)
3.下列实物:1)虎钳,2)百分表,3)水泵,4)台钻,5)牛头刨床工作台升降装置,其中 是机构。
A.1)、2)和3) B.1)、2)和5)
C.1)、2)、3)和4) D.3)、4)和5)
4.下述 是构件概念的正确表达。
A.构件是机器零件组合而成的 B.构件是机器的装配单元
C.构件是机器的制造单元 D.构件是机器的运动单元
5.下列实物:1)螺钉,2)起重吊钩,3)螺母,4)键,5)缝纫机脚踏板,其中 属于通用零件。
A.1)、2)和5) B.1)、2)和4)
C.1)、3)和4) D.1)、4)和5)
6.下列可动联接:1)内燃机的曲轴与连杆的联接,2)缝纫机的针杆与机头的联接,3)车床托板与床面的联接,4)火车车轮与钢轨的接触,其中 是高副。
A.1) B.2) C.3) D.4)
四、综合题
1.机器通常由哪几部分组成?各部分起什么作用?
2.运动副中的高副和低副是如何区分的?各有什么特点?
3.绘制机构运动简图的目的是什么?其步骤是怎样的?
作业二
一、填空题
1.在铰链四杆机构中与机架组成 的构件称为连架杆。
2.在铰链四杆机构中有 个连架杆、 个机架和 个连杆。
3.铰链四杆机构的三种类型是 、 和 机构。
4.在铰链四杆机构中如果两连架杆都做整周转动称为 机构。
5.在一个移动副的四杆组合体中如果取导杆为机架则称为 机构。
6.在曲柄滑块机构中如果取曲柄为机架则变成 机构。
7.曲柄滑块机构分为 机构和 机构两种。
8.曲柄滑块机构能够实现曲柄的 与滑块的 运动互换。
9.导杆机构分为 和 机构两种。
10.具有往复运动从动件机构的急回特性是指往复运动从动件
。
11.凸轮机构是由 、 和 三个构件所组成的高副机构。
12.凸轮与机架组成 副,凸轮与从动件组成 副。
13.当凸轮运动时,通过凸轮轮廓曲线与从动件的 接触,推动从动件运动得到 的运动规律。
14.凸轮按凸轮形状分 和 凸轮。
15.凸轮从动件的结构型式有 、 和 从动件三种。
二、判断题
1.由四个构件和四个运动副依次相联接所组成的机构称为四杆机构。( )
2.与机架组成转动副的构件称为曲柄。( )
3.在铰链四杆机构中两连架杆都做往复摆动则称为双曲柄机构。( )
4.在双摇杆机构中主动摇杆可以作往复摆动也可以作整周转动。( )
5.在曲柄摇杆机构中曲柄一定是主动构件。( )
6.曲柄滑块机构曲柄转动一周,滑块往复运动一次。( )
7.曲柄滑块机构曲柄可做为主动件,滑块也可做为主动件。( )
8.摆动导杆机构的导杆可以往复摆动,也可以做整周转动。( )
9.曲柄滑块机构没有急回特性。( )
10.压力角越大,有效分力越大,机构效率越高。( )
11.机构处于死点位置时其压力角α=90º。( )
12.凸轮是高副机构,所以凸轮与机架、从动件与机架之间至少有一个组成平面高副。( )
13.凸轮机构的特点是可以得到预期的任意运动规律,并且传递动力大。( )
14.盘状凸轮与机架组成转动副。( )
15.在移动凸轮中凸轮与从动件组成移动副。( )
16.尖顶从动件可使凸轮与从动件接触状态最好。( )
17.滚子从动件承载大,耐磨损。( )
18.平底从动件易形成油膜,可用于高速。( )
19.棘轮机构可以把往复摆动变成间歇性的转动。( )
20.槽轮机构可以把整周转动变成间歇性的转动。( )
三、选择题
1.由构件和 所组成的机构称为平面连杆机构。
A.运动副 B.低副 C.高副 D.高副或低副
2.能够把往复摆动变成整周转动的铰链四杆机构是 机构。
A.曲柄摇杆 B.双曲柄 C.双摇杆 D.上述都不对
3.能够实现整周转动与往复直线移动运动互换的是 机构。
A.曲柄摇杆 B.双曲柄 C.双摇杆 D.曲柄滑块
4.平行双曲柄机构中,当主动曲柄作匀速转动时,从动曲柄将 。
A.匀速转动 B.间歇转动 C.周期变速转动 D.往复摆动
5.机构克服死点的方法是 。
A.利用惯性 B.加大主动力 C.提高安装精度 D.上述都不对
6.从动件的预期运动规律是由 来决定的。
A.从动件的形状 B.凸轮的大小 C.凸轮材料 D.凸轮的曲线轮廓形状
7.凸轮机构的特点是 。
A.结构简单紧凑 B.不易磨损 C.传递动力大 D.加工容易
8.凸轮机构中的从动件与机架可以组成 。
A.转动副或移动副 B.转动副或平面高副
C.移动副或平面高副 D.上述都不对
9.棘轮机构中,一般棘爪为主动件,作 。
A.往复摆动 B.往复移动 C.整周转动 D.上述都不对
10.槽轮机构的主动件作 运动。
A.往复摆动 B.往复移动 C.整周转动 D.上述都不对
四、综合题
1.四杆机构中机架、连杆、曲柄、摇杆的特征是什么?
2.写出图中所列机构的名称。

a) b)

c) d)

e) f)
3.叙述压力角、传动角、死点位置三个概念的定义及它们间的关系。
4.在传动机构中,何时出现死点?如何克服死点位置?
5.凸轮机构的特点和应用是怎样的?
6.凸轮机构中凸轮和从动件有哪些形式?
7.棘轮机构有什么特点?举例说明常用于什么场合?
8.槽轮机构有什么特点?举例说明常用于什么场合?
五、计算题
1.试计算图1.56中机构的自由度,并判断机构的运动是否确定(图中画有箭头的构件为主动件)。
|
图1.56 |
作业三
一、填空题
1.按拆开联接时,是否会破坏或损伤联接中的一个零件,联接可分为:
和 两大类。常用的可拆联接有 , , 。
2.过盈配合属于 (填可拆联接或不可拆联接)。
3.键的常用材料是 。
4.键联接可以实现周向固定,从而传递 和 。
5.平键联接由于结构简单、装拆方便、对中性好,因而得到广泛的应用。普通平键端部结构有 、 和 三种,其中 平键常用于轴的端部。
6.平键联接中,键的 面为工作面。
7.A型键在轴上的键槽与B型键在轴上的键槽相比, 键对轴的削弱较严重。B型键在轴上的键槽与半圆键在轴上的键槽相比, 键对轴的削弱较严重。
8.导向键与滑键的区别是 。
9.键联接的特点是结构 、工作 、装拆 。
10.用定位销进行平面定位时,应该用 个,且相距越 越好。
11.销的主要用途是 的相互位置,并可传递不大的 。
12.螺纹的旋向分为 螺纹和 螺纹。
13.普通粗牙螺纹截面牙形是 ,牙形角 ,主要用于 。
14.螺纹联接的基本类型是 , , 和 。
15.螺栓联接是用螺栓 ,套上垫圈,拧紧螺母使两机件联接的。主要用于上下两边 ,而被联接件 的场合。
16.常用的螺纹联接件有 , , , ,
和 等。
17.双头螺柱联接是将双头螺柱一头旋入 的螺纹孔中,一头穿过
,套上垫圈,拧紧螺母使两机件联接的。主要用在
或 。
18.螺栓联接的防松方法有 和 两大类。
19.弹性圈柱销联轴器可以缓和 ,吸收 ,并能补偿两轴间的 。
20.要求两轴在任何转速下都能接合,应选用 离合器。
二、判断题
1.平键联接是靠键承受剪切和挤压能力来传递扭矩的。( )
2.导向键在工作中可随轮毂件一起移动。( )
3.花键具有承载能力强、受力均匀、导向性好的特点。( )
4.花键也适用于轮毂可以在轴上滑移的场合。( )
5.楔键联接承载大,对中好。( )
6.用钻头打出来的孔可以直接用于销钉静联接。( )
7.外螺纹大径指最大直径,内螺纹大径指最小直径。( )
8.牙型角越大则螺纹的导程越大。( )
9.螺纹的导程S、螺距P和头数n应满足:P=S·n。( )
10.普通螺纹牙根强度高,紧密性好。( )
11.与外螺纹相配合的螺纹可以是内螺纹,也可以是外螺纹。( )
12.矩形螺纹传动效率最高。( )
13.受拉螺栓联接是靠静摩擦力来联接的。 ( )
14.受剪螺栓联接是靠螺栓受剪切和挤压来联接的。( )
15.管螺纹的密封性能比普通螺纹的要好。( )
16.弹簧垫圈是为了增大支承面积减小挤压应力。( )
17.螺钉联接适用于被联接件之一较厚,受力较大的场合。( )
18.螺纹联接中预紧力越大越好。( )
19.弹性圈柱销联轴器主要用于经常正、反转,起动频繁的场合。( )
20.牙嵌式离合器必须在低速或停车时方可啮合。( )
21.摩擦离合器由于有相对滑动不能使两轴精确同步运转。( )
三、选择题
1.键是联接件,用以联接轴与齿轮等轮毂,并传递扭矩。其中 应用最为广泛。
A.普通平键 B.半圆键 C.导向平键 D.花键
2.平键的工作表面是 。
A.上面 B.下面 C.上、下两面 D.两侧面
3.能构成松键联接的是 。
A.楔键和半圆键联接 B.平键和半圆键联接
C.半圆键和切向键联接 D.楔键和切向键联接
4.用于联接的螺纹头数一般是 。
A.单头 B.双头 C.四头 D.四头以上
5.螺纹按用途不同,可分为 两大类。
A.外螺纹和内螺纹 B.右旋螺纹和左旋螺纹
C.粗牙螺纹和细牙螺纹 D.联接螺纹和传动螺纹
6.常见联接螺纹的螺旋线线数和绕行方向是 。
A.单线右旋 B.双线右旋 C.三线右旋 D.单线左旋
7.主要用于联接的牙型是 。
A.三角螺纹 B.梯形螺纹 C.矩形螺纹 D.锯齿形螺纹
8.受拉螺栓联接的特点是 。
A.靠螺栓强度来联接 B.螺栓与螺栓孔公称直径相等
C.与螺栓相配的螺栓必须拧紧 D.螺栓可有定位作用
9.承受弯矩或扭矩的紧螺栓组联接,应尽量将螺栓布置在 处,以减少螺栓的载荷。
A.靠近形心 B.远离形心 C.与形心无关 D.在形心上
10.螺钉联接一般应用在 的场合。
A.需经常装拆的联接 B.被联接件之一太厚且不经常装拆
C.被联接件不太厚并能从被联接件两边进行装配
D.受结构限制或希望结构紧凑且需要经常装拆
11.铸造铝合金ZL104的箱体与箱盖用螺纹联接,箱体被联接处厚度较大,要求联接结构紧凑,且需经常拆卸箱盖进行修理,一般采用 。
A.螺钉联接 B.螺栓联接 C.双头螺柱联接 D.紧定螺钉联接
12.矩形螺纹主要用于传动,它的主要优点是 。
A.不会自锁 B.传动效率高 C.制造方便 D.强度较高
13.螺旋传动的特点是 。
A.结构复杂 B.承载大 C.传动精度低 D.磨损慢和效率高
14.若两轴刚性较好,且安装时能精确对中,可选用 。
A.凸缘联轴器 B.齿式联轴器 C.弹性柱销联轴器 D.轮胎式联轴器
15.摩擦式离合器 起到过载保护作用。
A.可以 B.不能 C.与联轴器配合使用才能 D.在高转速下才能
四、综合题
1.松键联接与紧键联接有什么区别?
2.普通平键分哪几种类型?A10×8×50是什么意义?
3.圆柱销和圆锥销各有什么特点?各用于什么场合?
4.图示的螺纹联接结构画的是否合理?为什么?

a b c
5.简述螺纹联接常用的防松方法。
6.螺旋传动有何特点?根据用途可分哪几类?
7.联轴器与离合器的功用有何不同?
8.简述凸缘联轴器的特点。
9.简述摩擦离合器的特点。
作业四
一、填空题
1.带传动由 轮、 轮、 和机架组成。
2.带传动按带截面形状的不同可分为_________、_________、_________、_________等类型。
3.V带传动时,其紧边为___________________________________,松边为____________________________________。
4.带传动失效形式,一是 ,二是带的 。
5.普通V带由___________、___________、___________、__________四部分组成,普通V带按截面尺寸由大到小分别为___、___、___、___、___、___、____七种。
6.带的弹性变形的 所引起的微小、局部滑动现象称为 滑动。
7.包角愈大,传动带对带轮包围弧 ,摩擦力也就 ,因而对带传动的承载有利,一般规定小带轮包角 。小带轮的直径越小,弯曲应力 ,对带的寿命影响越大,所以要加以限制。
8.带的弹性滑动造成带传动不能保证 ,且传动效率 。
9.链传动由 链轮、 链轮及绕在链轮上的 组成。
10.套筒滚子链由________、________、________、________、________等几部分组成。
11.链条上相邻 的距离P称为节距,它是链条的主要参数。节距越大,链条所能传递的功率也 。
12.自行车中的链传动为_____________(类型)链传动,其链节数为__________(奇数、偶数),连接头形式为_________________。
二、判断题
1.带传动是通过带与带轮之间产生的摩擦力来传递运动和功率的。( )
2.V带的工作表面是两侧面。( )
3.带传动能够缓和冲击、吸收振动、传动平稳无噪音。( )
4.带传动传动比准确、具有保护作用,但传动效率较低。( )
5.没有初拉力的带就不能传递功率。( )
6.小带轮包角越大,带的工作能力就越大。( )
7.带在工作一段时间后,带会产生伸长变形,从而降低了初拉力。( )
8.带传动的张紧用可增大中心距的方法。( )
9.链的节距越大,承载能力越高,但冲击、噪音也越大。( )
10.链传动不能在恶劣环境下工作。( )
三、选择题
1.一般动力机械中,主要采用 带传动。
A.平带 B.V带 C.圆带 D.多楔带
2.带传动的特点是 。
A.缓和冲击、吸收振动,但平稳性差 B.传动比不准确,但是传动效率高
C.结构简单、制造方便、成本低 D.外廓尺寸小,可应用于两轴中心距大的场合。
3.V带的楔角是 。
A.34° B.36° C.38° D.40°
4.带传动的打滑现象首先从 开始。
A.小带轮上 B.大带轮上
C.大、小带轮上同时开始 D.可能在大带轮,也可能在小带轮上
5.某机床的带传动中有四根V带,工作较长时间后,有一根产生疲劳撕裂而不能继续使用,则应 。
A.更换已撕裂的一根 B.更换2根 C.更换3根 D.全部更换
6.带传动不能保证精确的传动比的原因是 。
A.带能弯曲变形 B.带易磨损 C.带在带轮上打滑 D.带的弹性滑动
7.下列说法中正确的是 。
A.弹性滑动不可避免 B.弹性滑动可以避免
C.打滑不可避免 D.弹性滑动和打滑均可以避免
8.滚子链链条的主要参数是 。
A.销轴的直径 B.销轴的长度 C.链板的厚度 D.链节距
9.在滚子链中尽量避免使用过渡链节的主要原因是 。
A.过渡链节制造困难 B.装配困难
C.要使用较长的销轴 D.弯链板要受到附加弯矩
四、综合题
1.带传动有什么特点?适用哪些场合?
2.带轮中心距对带传动有什么影响?
3.传动比的计算公式是什么?理解它的含义。
4.带传动为什么要张紧?常用哪些张紧装置?
5.带传动安装时应注意哪些事项?
6.带传动的打滑是怎样产生的?对传动有何影响?是否可以避免?
7.链传动有什么特点?适用哪些场合?
8.滚子链的结构及其常用的连接形式有哪些?
9.工人师傅在检查V带时发现有的已经失效,常常更换一组V带,你能说明原因么?
五、设计题
1.试设计一液体搅拌机用的V带传动。小带轮装在电动机轴上,电动机功率P=1.5 kW,转速n1=940r/min,从动轮转速n2=290 r/min,二班制工作,要求中心距不超过500mm。
作业五
一、填空题
1.齿轮传动按两齿轮轴线的位置不同分为 、_______________________ 、 _______________________三种类型,圆柱齿轮传动又分为_________________、__________、 _____________和 __________________________。
2.齿轮制造和安装 高,且不宜用于 两轴之间的传动。
3.直齿圆柱齿轮的主要参数有_____________、_____________、______ _______、_________ ____、________ _____。
4.渐开线齿轮的啮合特性是指____________ ______________________、_______________________________________。
5.齿轮模数m越小,轮齿也越 ,齿轮承受载荷的能力也越 。
6.渐开线齿轮的正确啮合条件是_____________、_____________。
7.齿轮失效形式主要有____________、_____________、_____________、_____________、_____________,齿面点蚀一般发生在_________________(开式、闭式)传动中。
8.用范成法加工渐开线标准直齿圆柱齿轮时,为避免根切,最少齿数应为_____________。
9.斜齿轮基本参数规定以_____________为标准值,直齿锥齿轮基本参数规定以_____________为标准值。
10.齿轮的失效形式主要有 、 、 、
和 。
11.蜗杆传动的主要参数有__________________________________、___________
_________ ___________、_______ _______________________、____________________、____________________。
12.蜗杆与蜗轮齿面相对 大, 剧烈,故效率 。
13.按轮系传动时各齿轮的几何轴线在空间的相对位置是否都固定,轮系可分为________________、________________两大类。
二、判断题
1.齿轮传动结构紧凑,工作可靠,使用寿命长,但传动效率低。( )
2.渐开线任一点的法线必切于基圆。( )
3.同一基圆上的渐开线形状完全相同。( )
4.齿条是直线齿廓。( )
5.在直齿圆柱齿轮中m、α、ha*、c*均为标准值的齿轮称为标准齿轮。( )
6.标准直齿圆柱齿轮的五个基本参数是:m、α、d、z、h。( )
7.渐开线直齿圆柱齿轮正确啮合条件是:m1= m2=m,α1=α2=α。( )
8.只要两渐开线齿轮满足m1=m2=m,α1=α2=α两齿轮就能保证连续啮合。( )
9.变位齿轮可凑配所需中心距。( )
10.斜齿轮传动的特点由螺旋角β来决定。( )
11.斜齿圆柱齿轮分度圆直径d=mn·z。( )
12.一对外啮合斜齿圆柱齿轮正确啮合条件是:mn1= mn2=mn,αn1=αn2 =αn ( )
13.蜗杆的标准参数面为端面。( )
14.蜗轮分度圆直径d2=mq。( )
15.在轮系中所有齿轮的回转轴线位置都固定不变的称为定轴轮系。( )
三、选择题
1.齿轮传动的特点是 。
A.传动效率高 B.使用寿命短 C.噪音大 D.制造和安装精度低
2.能够实现两轴转向相同的齿轮机构是 。
A.外啮合圆柱齿轮机构 B.内啮合圆柱齿轮机构
C.圆锥齿轮机构 D.蜗杆蜗轮机构
3.目前最常用的齿廓曲线是 。
A.摆线 B.变态摆线 C.渐开线 D.圆弧线
4.渐开线齿廓上压力角为零的点在齿轮的 上。
A.基圆 B.齿根圆 C.齿顶圆 D.分度圆
5.直齿圆柱齿轮中,具有标准模数和压力角的圆是 。
A.基圆 B.齿根圆 C.齿顶圆 D.分度圆
6.决定渐开线齿廓形状的基本参数是 。
A.模数 B.模数和齿数
C.模数和压力角 D.模数、齿数和压力角
7.下列斜齿圆柱齿轮螺旋角中, 是实际中常用的。
A.2°~8° B.8°~20° C.20°~30° D.30°~45°
8.斜齿圆柱齿轮法面模数mn与端面模数mt的关系是 。
A.mt=mncosβ B.mt=mn C.mt=mn/cosβ D.mt=mn/sinβ
9.圆锥齿轮机构中应用最多的是 轴交角的传动。
A.45° B.60° C.75° D.90°
10.润滑良好的闭式传动的软齿面齿轮,其主要失效形式是 。
A.轮齿折断 B.齿面疲劳点蚀
C.齿面磨损 D.齿面胶合
11.在圆柱蜗杆传动中,最常用的是 蜗杆传动。
A.阿基米德蜗杆传动 B.渐开线蜗杆传动
C.圆弧圆柱蜗杆传动 D.法向直廓圆柱蜗杆传动
12.与齿轮传动比较,下述 不能作为蜗杆传动的优点。
A.传动平稳,噪声小 B.传动比可以很大
C.在一定条件下能自锁 D.传动效率高
13.阿基米德圆柱蜗杆上, 应符合标准数值。
A.端面模数 B.法向模数 C.轴向模数 D.齿顶圆模数
四、综合与计算题
1.齿轮传动有哪些特性?它分哪几类?
2.渐开线有哪些特性?
3.什么是模数?单位是什么?当齿轮齿数不变时,模数与齿轮的几何尺寸、轮齿的大小和齿轮的承载能力有什么关系?
4.什么是分度圆、压力角、齿顶高系数、顶隙系数?
5.渐开线齿轮啮合传动有些什么特性?正确啮合条件是什么?
6.齿轮加工有哪两种方法?什么是根切?什么是变位?
7.斜齿轮有什么特点?如何判别斜齿轮的旋向?
8.蜗杆传动有什么特点?蜗杆传动中蜗轮的回转方向如何判定?
9.一对标准直齿圆柱齿轮传动,其大齿轮已损坏。已知小齿轮的齿数z1=24,齿顶圆直径da=130mm,两齿轮传动的标准中心距a=225mm。试计算这对齿轮的传动比和大齿轮的模数m、齿数z、分度圆直径d2、齿顶圆直径da2、齿根圆直径df2、齿顶高ha、齿顶高df、全齿高h、齿距p、齿厚s和齿槽宽e。
10.已知一对渐开线直齿圆柱齿轮外啮标准中心距a=180mm,齿轮传动比i=2,模数m=4mm。
求:(1)两齿轮的齿数z1、z2
(2)两齿轮各自的分度圆、齿顶圆、齿根圆和基圆直径。

11.如右图所示蜗杆传动,此蜗杆传动中蜗杆的旋向为______________;与之配对的蜗轮旋向应为_______________。据图示蜗杆的转向,在图中画出蜗轮的转向。
12.如下图所示轮系,已知
=16,
=32,
=20,
=40,
=2,
=40,n1=800r/min,试求蜗轮的转速及各轮的转向。
13.下图所示轮系中,已知各轮的齿数为
=
=15,
=45,
=30,
=17,
=34。试求传动比i14。若主动轮的转向如图所示,试画出其它轮的转向。
14.图4.62所示的圆锥齿轮行轮系中,已知z1=20,z2=20,z3=30,z4=45,n1=500r/min。试求行星架转速nH。

图4.62
15. 在图4.63所示的差动轮系中,已知z1=15,z2=25,z2,=20,z3=60,n1=200r/min、顺时针转动、n3=80r/min,求:1、当n3顺时针转动时,2、当n3逆时针转动时,行星架H的转速nH大小和方向。

图4.63
五、设计题
1.试设计某专用机床主轴箱中的一对直齿圆柱齿轮传动。已知传递功率P=6KW,齿轮转速n1=1250r/min, n2=450r/min,齿轮相对轴承非对称布置,双向转动,载荷有中等冲击。
作业六
一、填空题:
1.轴的功用是 ,并 。
2.轴按其几何轴线形状可分为 、 和 。
3.轴应满足的两个基本要求是 和 。
4.轴的材料应具有足够的 、 和抗腐蚀性;对应力集中的敏感性 ,具有良好的 和经济性。
5.轴与轴承配合的部分称为 ,与零件配合的部分称为 。
6.轴的形状一般为 。
7.零件在轴上的轴向固定是为了保证零件 ,防止零件 ,并承受 。
8.轴上零件的轴向固定方法主要有 , ,
, 。
9.轴上零件的周向固定方法主要有 , 。
10.轴承是支承 的部件,它能保证轴的 精度,减少回转轴与支承间的摩擦和 。
11.在滑动轴承中只承受径向载荷称为 轴承,承受 载荷称为推力轴承。
12.剖分式滑动轴承,装拆 ,轴瓦与轴 ,应用 。
13.常用的轴瓦、轴承衬材料有 、 、 、 。
14.轴承润滑的目的在于减小轴承中的 和磨损,同时起 、 和防锈的作用。
15.滑动轴承的润滑有连续供油和 两种方式, 供油只能用于低速、轻载的轴承。
16.典型的滚动轴承是由 圈、 圈、 和 组成的。
17.在滚动轴承内、外圈中间是 ,它把内、外圈的相对滑动摩擦变成相对 。
18.滚动轴承按滚动体的形状可分为 和 两大类。
19.滚动轴承的代号由 、 和 组成。
20.选择滚动轴承时,若载荷大且有冲击时,宜选用 ;若转速高,宜选用 。
二、判断题:
1.同时受弯矩和扭矩的轴称为转轴。( )
2.只受扭矩作用的轴称为传动轴。( )
3.增大阶梯轴的圆角半径主要是为了美观。( )
4.轴与轴承的配合部分称为轴头。( )
5.轴上零件在轴上必须具有确定的位置。( )
6.轴颈部分的直径,必须符合轴承内径标准。( )
7.滑动轴承的宽径比较小时,可采用调心轴承。( )
8.滚动轴承内圈与轴颈运动相同。( )
9.滚动轴承外圈与机座运动相同。( )
10.深沟球轴承只能承受径向力。( )
11.圆柱滚子轴承只能承受径向力并且不能承受冲击载荷。( )
12.滚动轴承是标准件,其内圈与轴颈的配合为基孔制。( )
13.转速高、载荷及振动大、旋转精度要求高时,应采用松一些的配合。( )
14.冲击、振动、支承刚度要求高时,优选滚子轴承。( )
15.当尺寸、精度相同时,滚子轴承的极限转速比球轴承高。( )
16.角接触轴承的接触角越大,承受轴向载荷的能力也越大。( )
三、选择题:
1.下列 轴是转轴。
A.承受弯曲的 B.同时承受弯曲和扭转的
C.承受扭转的 D.同时承受弯曲和剪切的
2.下列各轴中, 是心轴。
A.自行车的前轴 B.自行车的中轴(链轮轴)
C.减速器中的齿轮轴 D.车床的主轴
3.为了使套筒、圆螺母或轴端挡圈能紧靠零件轮毂的端面,起轴向固定作用,轴头长度l与零件轮毂宽度B之间的关系是 。
A.l比B稍长 B.l=B C.l比B稍短 D.l与B无关
4.自行车后轴是 。
A.心轴 B.转轴 C.传动轴 D.阶梯轴
5.剖分式滑动轴承的性能特点是 。
A.能自动调正 B.装拆不方便,装拆时必须作轴向移动
C.结构简单,制造方便,价格低廉 D.装拆方便,轴瓦磨损后间隙可调整
6.如果轴和支架的刚性较差,要求轴承能自动适应其变形,应选用 滑动轴承。
A.整体式 B.剖分式 C.调心式 D.推力
7.为了把润滑油导入整个摩擦面,应该在轴瓦的 开设油槽。
A.承载区 B.非承载区 C.轴径与轴瓦的最小间隙处 D.端部
8.滚动轴承的基本元件中,不可缺少的是 。
A.内圈 B.外圈 C.滚动体 D.保持架
9.在滚动轴承中使滚动体均匀隔开,保持运动连续性的是 。
A.内圈 B.外圈 C.滚动体 D.保持架
10.角接触球轴承承受轴向载荷的能力,主要取决于 。
A.轴承宽度 B.滚动体数目 C.轴承精度 D.接触角大小
11.滚动轴承轴向固定应采用下述 配合制。
A.内圈与轴和外圈与轴承座孔都采用基孔制
B.内圈与轴和外圈与轴承座孔都采用基轴制
C.内圈与轴采用基孔制,外圈与轴承座孔采用基轴制
D.内圈与轴采用基轴制,外圈与轴承座孔采用基孔制
12.只能承受径向力而不能承受轴向力的轴承是 。
A.深沟球轴承 B.角接触球轴承 C.圆柱滚子轴承 D.调心滚子轴承
四、综合题
1.轴按轴线几何形状可分哪几类?其用途有什么不同?
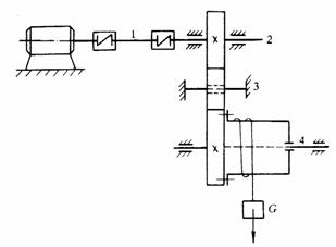
2.指出图中卷扬机的四根轴按受载情况各是什么轴?

3.常用轴的材料是什么?怎样选用?
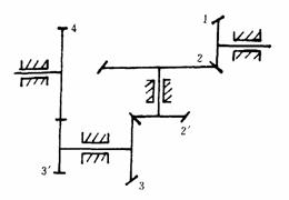
4.右图中的1、2、3、4处结构是否合理?为什么?应如何改进?

5.轴承的功用是什么?分哪几类?
6.滑动轴承有什么特点?适用什么场合?
7.轴瓦对材料有什么要求?常用哪些材料?
8.简述滑动轴承常用的润滑方式与润滑装置。
9.滚动轴承主要由哪些零件组成?有什么优缺点?
10.指出下列滚动轴承代号的含义:
6201
60209/p6
N2315
7007AC
11.滚动轴承类型选择要考虑哪些因素?
12.滚动轴承的装拆要注意哪些问题?
五、设计题
1.直齿圆柱齿轮减速器如图5.70所示。传动功率
KW,主动齿轮转速
r/min主动齿轮齿数
,从动齿轮齿数
,齿轮的模数
mm,齿宽
mm。轴承为深沟球轴承,尺寸系列代号为02,轴伸出端长度为80mm。设计从动轴结构和尺寸。

2.斜齿圆柱齿轮支承如图5.72所示,轴承受径向载荷
N,
N,轴向力
N。轴的转速
,轴的直径
mm,有中等冲击,轴承预期寿命
。试选择轴承类型和尺寸。
